hordhaca alaabta:
Indhuhu (dhamaadka oksaydhka madow): Boolalyadani waxay ka kooban yihiin shakad dunta leh iyo madax (Isha) daloosan. Waxyaalaha ka samaysan birta sida birta kaarboon (badanaa kulaylka - la daweeyay iyo oksaydh-madow oo dahaarka leh), waxay isku daraan xoog iyo daxal - dusha iska caabbin. Naqshadeynta indhuhu waxay u oggolaaneysaa in si fudud loogu xiro fiilooyinka, xargaha, ama dhejiska, taas oo ka dhigaysa mid ku habboon qaadista, dhejinta, iyo ilaalinta hawlaha. Lagu heli karo xajmiyada dunta kala duwan (tusaale, M6, M8, M10) iyo dhererka shank, waxa si weyn loogu isticmaalaa dhismaha, badda, iyo qalabka warshadaha ee codsiyada sida kor u qaadida culayska, xidhitaanka, iyo abuurista xidhid sugan - dhibcood hoos.
Tilmaamaha Isticmaalka:
Boorarka indhaha waxa loo isticmaalaa qaadista, sixida, ama sugida. Marka hore, hubi in dusha rakibidda ay tahay mid xooggan oo siman. Ku marooji xiniinyaha isha dalool horay loo taabtay ama isticmaal lowska si aad ugu xidho dalool nadiifinta. Cabbirka daloolku waa inuu u dhigmaa dhexroorka dunta boodhka. Markaad wax qaadayso, ku dheji fiilooyinka / xadhkaha isha, adoo hubinaya xitaa qaybinta culeyska. Waligaa ha dhaafin xadhkaha lagu qiimeeyay awooda rarka, oo si joogto ah u baadh daal ama dhaawac. Codsiyada aadka u sarreeya, isticmaal qalabka wax lagu rido ee habboon.
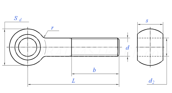
| Isku-xidhka Isku-xidhka | M5 | M6 | M8 | M10 | M12 | M16 | M20 | M24 | ||||
| d | ||||||||||||
| P | Garoon | 0.8 | 1 | 1.25 | 1.5 | 1.75 | 2 | 2.5 | 3 | |||
| b | L≤125 | 16 | 18 | 22 | 26 | 30 | 38 | 46 | 54 | |||
| 125 L≤200 | - | - | 28 | 32 | 36 | 44 | 52 | 60 | ||||
| L >200 | - | - | - | - | 49 | 57 | 65 | 73 | ||||
| d2 | min=xajmiga magac ahaan | 5 | 6 | 8 | 10 | 12 | 16 | 18 | 22 | |||
| max | 5.03 | 6.03 | 8.036 | 10.036 | 12.043 | 16.043 | 18.043 | 22.052 | ||||
| Sd | max | 12 | 14 | 18 | 20 | 25 | 32 | 40 | 45 | |||
| Tpye A | min | 10.9 | 12.9 | 16.9 | 18.7 | 23.7 | 30.4 | 38.4 | 43.4 | |||
| Tpye B iyo C | min | 11.57 | 13.57 | 17.57 | 19.48 | 24.48 | 31.38 | 39.38 | 44.38 | |||
| r | Cabbirka Magaca | 2.5 | 4 | 4 | 4 | 6 | 6 | 6 | 10 | |||
| max | 3.75 | 6 | 6 | 6 | 9 | 9 | 9 | 15 | ||||
| min | 1.875 | 3 | 3 | 3 | 4.5 | 4.5 | 4.5 | 7.5 | ||||
| s | Nooca A | max | 8 | 9 | 11 | 14 | 17 | 19 | 24 | 28 | ||
| min | 7.52 | 8.52 | 10.3 | 13.3 | 16.3 | 18.16 | 23.16 | 27.16 | ||||
| Nooca B iyo C | max | 6 | 7 | 9 | 12 | 14 | 17 | 22 | 25 | |||
| min | 5.88 | 6.85 | 8.85 | 11.82 | 13.82 | 16.82 | 21.79 | 24.79 | ||||
| Miisaanka 1000kii badeecooyinka birta (≈kg) | - | - | - | - | - | - | - | - | ||||
| Dhererka Xadhkaha b | - | - | - | - | - | - | - | - | ||||
| Isku-xidhka Isku-xidhka | (M27) | M30 | M30 | (M33) | M36 | M36 | (M39) | (M39) | ||||
| d | ||||||||||||
| P | Garoon | 3 | 3.5 | 3.5 | 3.5 | 4 | 4 | 4 | 4 | |||
| b | L≤125 | 60 | 66 | 66 | - | - | - | - | - | |||
| 125 L≤200 | 66 | 72 | 72 | 78 | 84 | 84 | 90 | 90 | ||||
| L >200 | 79 | 85 | 85 | 91 | 97 | 97 | 103 | 103 | ||||
| d2 | min=xajmiga magac ahaan | 25 | 27 ② | 28 | 30 | 32 | 33 ② | 35 | 36 ② | |||
| max | 25.052 | 27.052 | 28.052 | 30.052 | 32.062 | 33.062 | 35.062 | 36.062 | ||||
| Sd | max | 50 | 55 | 55 | 60 | 65 | 65 | 70 | 70 | |||
| Tpye A | min | 48.4 | 53.1 | 53.1 | 58.1 | 63.1 | 63.1 | 68.1 | 68.1 | |||
| Tpye B iyo C | min | 49.38 | 54.26 | 54.26 | 59.26 | 64.26 | 64.26 | 69.26 | 69.26 | |||
| r | Cabbirka Magaca | 10 | 10 | 10 | 16 | 16 | 16 | 16 | 16 | |||
| max | 15 | 15 | 15 | 22.4 | 22.4 | 22.4 | 22.4 | 22.4 | ||||
| min | 7.5 | 7.5 | 7.5 | 12.8 | 12.8 | 12.8 | 12.8 | 12.8 | ||||
| s | Nooca A | max | 30 | 34 | 34 | 38 | 41 | 41 | 46 | 46 | ||
| min | 29.16 | 33 | 33 | 37 | 40 | 40 | 45 | 45 | ||||
| Nooca B iyo C | max | 27 | 30 | 30 | 34 | 38 | 38 | 41 | 41 | |||
| min | 26.79 | 29.79 | 29.79 | 33.75 | 37.75 | 37.75 | 40.75 | 40.75 | ||||
| Miisaanka 1000kii badeecooyinka birta (≈kg) | - | - | - | - | - | - | - | - | ||||
| Dhererka Xadhkaha b | - | - | - | - | - | - | - | - | ||||
Hebei Duojia Metal Products Co., Ltd. waxaa hore loogu yiqiin Warshada Balaadhinta ee Yonghong Waxay leedahay in ka badan 25 sano oo waayo-aragnimo xirfadeed ee xirmooyinka wax soo saarka. Warshadu waxay ku taalaa Saldhigga Warshadaha ee Qolka Heerka Shiinaha - Degmada Yongnan, Magaalada Handan. Waxa ay qabataa wax soo saarka khadka tooska ah iyo kuwa aan tooska ahayn iyo soo saarista xirmooyinka iyo sidoo kale ganacsi adeeg iib ah oo hal joogsi ah.
Warshadan ayaa ku fadhida dhul ka badan 5,000 oo mitir oo laba jibaaran, waxaana bakhaarku ku fadhiyaa dhul ka badan 2,000 oo mitir oo laba jibbaaran. Sannadkii 2022, shirkaddu waxay samaysay casriyeyn warshadeed, jaangooyay nidaamka wax-soo-saarka warshadda, wanaajinta awoodda kaydinta, awoodda wax-soo-saarka badbaadada, iyo fulinta tallaabooyinka ilaalinta deegaanka. Warshadu waxay ku guulaysatay deegaan wax-soo-saar cagaaran oo horudhac u ah.
Shirkaddu waxay haysaa mishiinnada qabowga lagu riixo, mishiinnada shaambadaha, mishiinnada tuubada, mishiinnada dunta, mashiinnada samaynta, mashiinnada guga, mishiinnada qallafsan, iyo alxanka robots. Alaabooyinkeeda ugu muhiimsan waa boolal fidineed oo taxane ah oo loo yaqaan "darbiga fuula".
Waxa kale oo ay soo saartaa alaabo jillaab u qaabaysan sida alxanka alxanka alxanka ee idaha giraanta indhaha iyo mashiinada iliga giraanta indhaha. Intaa waxaa dheer, shirkaddu waxay ballaarisay noocyada cusub ee alaabta laga soo bilaabo dhammaadka 2024. Waxay diiradda saartaa alaabooyinka horay loo sii aasay ee warshadaha dhismaha.
Shirkaddu waxay leedahay koox iibka ah oo xirfad leh iyo koox daba-gal xirfad leh si ay u ilaaliso alaabtaada. Shirkaddu waxay dammaanad qaadaysaa tayada badeecadaha ay bixiso waxayna samayn kartaa baaritaanno ku saabsan darajooyinka. Haddii ay jiraan wax dhibaato ah, shirkadu waxay bixin kartaa adeeg iibka ka dib oo xirfad leh.
Wadamada aan dhoofino waxaa ka mid ah Russia, South Korea, Britain, France, Germany, Italy, Canada, Mexico, Brazil, Argentina, Chile, Australia, Indonesia, Thailand, Singapore, Saudi Arabia, Syria, Egypt, Tanzania.Kenya iyo dalal kale. Alaabtayadu waxay ku faafi doonaan adduunka oo dhan!
MAXAA NOO DOORANAYA?
1.Sida warshad toos ah kor u qaade, waxaan meesha ka saaraynaa margis dhexe si aan kuugu soo bandhigno qiimaha ugu tartanka badan ee xirmooyinka tayada sare leh.
2.our warshad gudbiso shahaado ISO 9001 iyo AAA .waxaanu leenahay imtixaanka engegnaantii iyo tijaabada dhumucda daahan zinc alaabta galvanized.
3.oo leh kontorool buuxa oo ku saabsan wax soo saarka iyo saadka, waxaan dammaanad qaadeynaa gaarsiinta waqtiga-waqtiga xitaa amarrada degdegga ah.
Kooxda injineernimada 4.our waxay astaysto faseners ka prototype in wax soo saarka mass , oo ay ku jiraan naqshado dun gaar ah iyo daahan anti-daxalka.
5.From kaarboon bir hex boolal in boolal barroosin-xannuun sare, waxaan ku siin xal hal-stop ah oo dhan baahiyahaaga xiraha.
6. Haddii wax cillad ah la helo , waxaan ku soo celin doonnaa beddelka 3 toddobaad gudahooda ee kharashkayaga .














